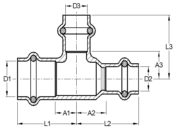
| Part # | size | type | L1 (in) | A1 (in) | L2 (in) | A2 (in) | L3 (in) | A3 (in) | Each Weight (lbs) |
| 11406 | 3/4" x 1/2" x 1/2" | P x P x P | 1.634 | 0.689 | 1.752 | 0.945 | 1.437 | 0.630 | 0.28 |
| 11408 | 3/4" x 1/2" x 3/4" | P x P x P | 1.791 | 0.846 | 1.870 | 1.063 | 1.594 | 0.650 | 0.33 |
| 11413 | 1" x 1/2" x 1/2" | P x P x P | 1.634 | 0.689 | 2.008 | 1.201 | 1.594 | 0.787 | 0.40 |
| 11414 | 1" x 1/2" x 3/4" | P x P x P | 1.791 | 0.846 | 2.126 | 1.319 | 1.732 | 0.787 | 0.40 |
| 11416 | 1" x 1/2" x 1" | P x P x P | 1.909 | 0.965 | 2.224 | 1.417 | 1.732 | 0.787 | 0.46 |
| 11418 | 1" x 3/4" x 1/2" | P x P x P | 1.634 | 0.689 | 1.909 | 0.965 | 1.594 | 0.787 | 0.37 |
| 11420 | 1" x 3/4" x 3/4" | P x P x P | 1.791 | 0.846 | 2.008 | 1.063 | 1.732 | 0.787 | 0.40 |
| 11422 | 1" x 3/4" x 1" | P x P x P | 1.909 | 0.965 | 2.165 | 1.220 | 1.732 | 0.787 | 0.45 |
| 11430 | 1-1/4" x 3/4" x 1/2" | P x P x P | 1.772 | 0.630 | 2.185 | 1.240 | 1.929 | 1.122 | 0.47 |
| 11432 | 1-1/4" x 3/4" x 3/4" | P x P x P | 1.870 | 0.728 | 2.283 | 1.339 | 1.969 | 1.024 | 0.53 |
| 11434 | 1-1/4" x 3/4" x 1" | P x P x P | 1.988 | 0.846 | 2.382 | 1.437 | 2.047 | 1.102 | 0.56 |
| 11436 | 1-1/4" x 1/2" x 1-1/4" | P x P x P | 2.126 | 0.984 | 2.618 | 1.811 | 1.969 | 0.827 | 0.60 |
| 11438 | 1-1/4" x 3/4" x 1-1/4" | P x P x P | 2.126 | 0.984 | 2.441 | 1.496 | 1.969 | 0.827 | 0.61 |
| 11440 | 1-1/4" x 1" x 1/2" | P x P x P | 1.772 | 0.630 | 2.087 | 1.142 | 1.929 | 1.122 | 0.46 |
| 11442 | 1-1/4" x 1" x 3/4" | P x P x P | 1.870 | 0.728 | 2.106 | 1.161 | 1.969 | 1.024 | 0.46 |
| 11444 | 1-1/4" x 1" x 1" | P x P x P | 1.988 | 0.846 | 2.224 | 1.280 | 2.047 | 1.102 | 0.51 |
| 11446 | 1-1/4" x 1" x 1-1/4" | P x P x P | 2.126 | 0.984 | 2.244 | 1.299 | 1.969 | 0.827 | 0.62 |
| 11454 | 1-1/2" x 1" x 3/4" | P x P x P | 2.126 | 0.669 | 2.362 | 1.417 | 2.087 | 1.142 | 0.76 |
| 11456 | 1-1/2" x 1" x 1" | P x P x P | 2.264 | 0.807 | 2.382 | 1.437 | 2.087 | 1.142 | 0.81 |
| 11458 | 1-1/2" x 1" x 1-1/2" | P x P x P | 2.618 | 1.161 | 2.697 | 1.752 | 2.756 | 1.299 | 1.10 |
| 11460 | 1-1/2" x 1-1/4" x 3/4" | P x P x P | 2.126 | 0.669 | 2.283 | 1.142 | 2.087 | 1.142 | 0.74 |
| 11462 | 1-1/2" x 1-1/4" x 1" | P x P x P | 2.264 | 0.807 | 2.343 | 1.201 | 2.087 | 1.142 | 0.81 |
| 11464 | 1-1/2" x 1-1/4" x 1-1/4" | P x P x P | 2.382 | 0.925 | 2.539 | 1.398 | 2.244 | 1.102 | 0.86 |
| 11465 | 1-1/2" x 1-1/4" x 1-1/2" | P x P x P | 2.618 | 1.161 | 2.776 | 1.634 | 2.756 | 1.299 | 0.88 |
| 11474 | 2" x 1" x 1" | P x P x P | 2.657 | 1.043 | 2.618 | 1.673 | 2.441 | 1.496 | 1.17 |
| 11476 | 2" x 1-1/4" x 1-1/4" | P x P x P | 2.657 | 1.043 | 2.894 | 1.752 | 2.598 | 1.457 | 1.17 |
| 11478 | 2" x 1-1/2" x 3/4" | P x P x P | 2.421 | 0.807 | 2.854 | 1.398 | 2.402 | 1.457 | 1.02 |
| 11480 | 2" x 1-1/2" x 1" | P x P x P | 2.539 | 0.925 | 2.933 | 1.476 | 2.441 | 1.496 | 1.10 |
| 11482 | 2" x 1-1/2" x 1-1/4" | P x P x P | 2.657 | 1.043 | 3.091 | 1.634 | 2.598 | 1.457 | 1.23 |
| 11484 | 2" x 1-1/2" x 1-1/2" | P x P x P | 2.776 | 1.161 | 3.248 | 1.791 | 2.992 | 1.535 | 1.36 |
| 11486 | 2" x 1-1/2" x 2" | P x P x P | 2.992 | 1.378 | 3.425 | 1.969 | 3.150 | 1.535 | 1.32 |







